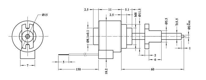
1. SPECIFICATIONS
Winding | Unipolar/Bipolar | |||
Type | External | |||
Step Angle | ° | 18 | ||
Voltage | V | 4 | 5 | 12 |
Current/phase | mA | 200 | 160 | 70 |
Resistance/Phase | Ω | 20 | 33 | 180 |
Inductance/Phase | mH | 506 | 8.7 | 49 |
Travel per step Avai | mm | 0.02 | ||
0.025 | ||||
0.05 | ||||
NOTE:The motor can be designed with customized request
Screw diameter Optional① 3.0(mm)
Lead Optional ① 0.5、1.0(mm)
Travel per step Avail =(Step Angle/360)* Journey(mm)
2. STEP SPEED AND THRUST CURVE


Copyright 2023 Copyright Jiangsu Fulling Motor Technology Co., Ltd.