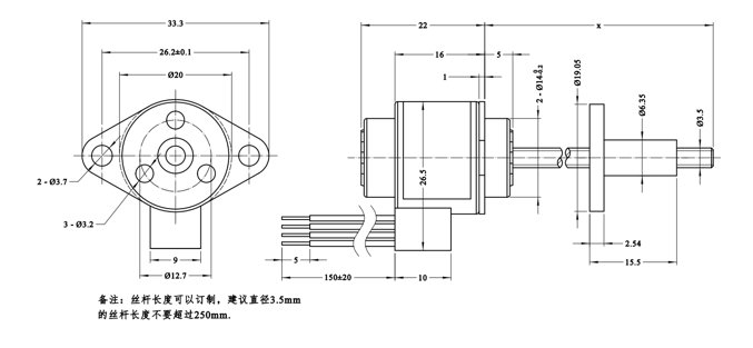
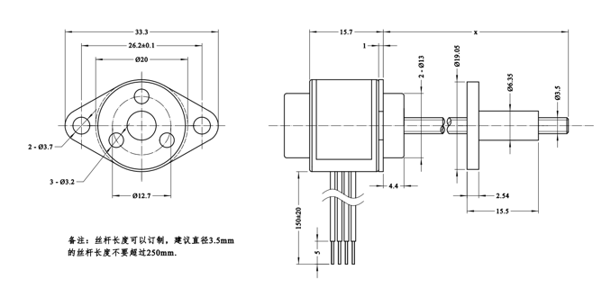
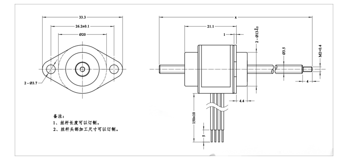
1. SPECIFICATIONS
Winding | Unipolar/Bipolar | ||||
Type | Captive, Non-Captive, External | ||||
Step Angle | ° | 7.5 | 15 | ||
Voltage | V | 5 | 12 | 5 | 12 |
Current/phase | mA | 370 | 160 | 370 | 160 |
Resistance/Phase | Ω | 13.5 | 74.5 | 13.5 | 76 |
Inductance/Phase | mH | 6.5 | 38.5 | 4 | 25 |
Travel per step Avail | mm | 0.0127 | 0.0254 | ||
0.0254 | 0.0508 | ||||
0.0508 | 0.1016 | ||||
NOTE:The motor can be designed with customized request
Screw diameter Optional ① 3.5
Lead Optional① 0.3048、0.6096、1.0、1.2192、2.0、2.4384、4.0、8.0......(mm);
Travel per step Avail =(Step Angle/360)* Lead(mm)
2. STEP SPEED AND THRUST CURVE




1. Available in two different shapes for Captive version


2. Available in three different shapes for Non-Captive version

3. Available in two different shapes for External version


Copyright 2023 Copyright Jiangsu Fulling Motor Technology Co., Ltd.