特性(Characteristic) | 参数(Parameter) | ||
编码器类型(Encoder type) | 1、光电编码器 Optical encoder 2、磁编码器 Magnetic encoder 3、旋转变压器Resolver 备注:多种分辨率可选,增量式、绝对值式可选。 Note: Multiple resolutions are available;Incremental and absolute values are available. | ||
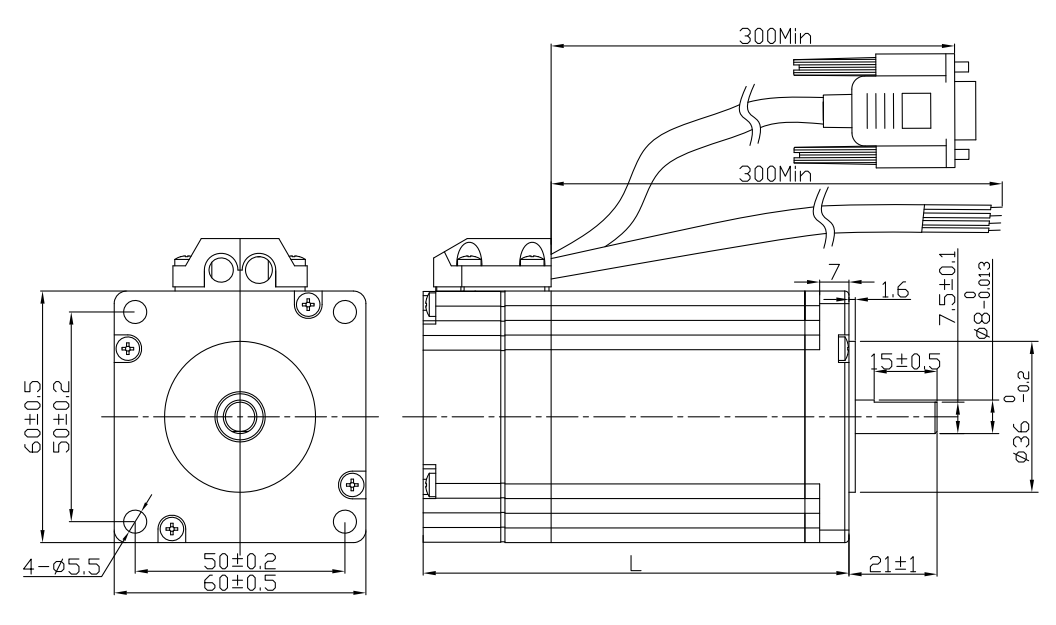
径向负载(Max radial force ) | 75N@20mm from the flange |
环境条件 Environmental conditions | 使用环境温度: -20℃~ +40℃; Temperature: -20℃~ +40℃ 使用环境湿度:≤90%RH(无凝露); Relative humidity: ≤90%RH(No dewing) 安装环境:远离腐蚀、可燃性气体,油滴,灰尘, 海拔≤1000m(1000~4000m,降额使用); Installation environment: Far away active gas, Combustible gas, oil drop, ash. altitude≤1000m(1000~4000m,Derating use); 存储环境:-20℃~ +60℃,≤85%RH(无凝露)。 Storage Condition: -20℃~ +60℃,≤85%RH(No dewing). |
轴向负载(Max axial force) | 15N | ||
绝缘等级(Insulation Class) | B | ||
防护等级(Protection level) | IP30 | ||
单位(Unit) | FL60SC30 | FL60SC40 | |
相电流 (Phase current) | A | 6.0 | 5.6 |
保持转矩 (Holding torque) | N·m | 3.0 | 3.6 |
最高转速 (Speed ) | rpm | 1800 | 1800 |
编码器 (Encoder) | 1000cpr光电增量式编码器 1000cpr incremental optical encoder | ||
转动惯量 (Rotor inertia) | g.cm2 | 800 | 860 |
机身长度 (Motor Length) L | mm | 103 | 109 |
重量 (Weight ) | Kg | 1.4 | 1.6 |
序号No. | 引出线颜色Lead Color | 引出线型号Lead Gauge | 功能Function | 说明Description |
3 | 红白色(Red/White) |
Cable Three rows of 15PIN D-SUB | GND | Signal Power negative |
2 | 红色(Red) | VCC:+5VDC | Signal Power positive | |
13 | 蓝色(Blue) | EA- | Two-channel differential signal (Three-channel differential signal can be provided). | |
1 | 蓝黑色(Blue/Black) | EA+ | ||
12 | 黑色(Black) | EB- | ||
11 | 黑白色(Black/White) | EB+ | ||
1 | 黑色(Black) | Cable UL2464 AWG20 | A相(Phase A) | |
2 | 绿色(Green) | C相(Phase C) | ||
3 | 红色(Red) | B相(Phase B) | ||
4 | 蓝色(Blue) | D相(Phase D) |
该款电机可以根据客户需求定制。
The motor can be designed &manufactured with customized request.


Copyright 2023 版权所有 BG大游(集团)中国官方网站 苏ICP备05002292号-1