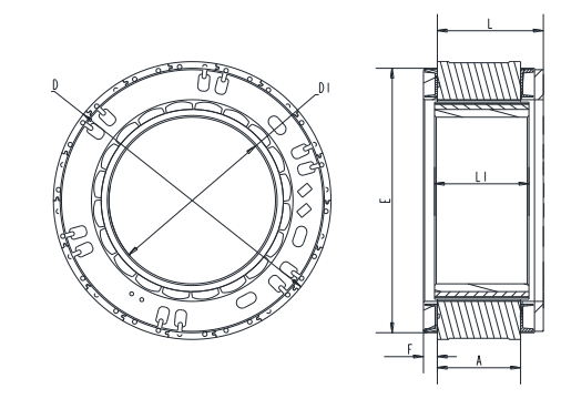
项目(Items) | FL115HSV25 | FL115HSV50 | 公差(Tolerance) |
定子外径D | 115mm | 115mm | js9 |
定子长度L | 39mm | 68mm | ±1 |
转子内径D1 | 74mm | 74mm | H8 |
转子长度L1 | 32.7mm | 57.7mm | ±0.25 |
灌胶面外圆E | 112mm | 112mm | ±0.2 |
灌胶面高度F | 5.5mm | 5.5mm | ±0.3 |
特性概要 ( General Specifications )
绕组连接方式 ( Winding Type ) | 星形 ( Star connection) |
霍尔分布角度 ( Hall Effect Angle ) | 120度电角度 ( Electrical Angle of 120 degree) |
介电强度 ( Dielectric Strength ) | 1000VAC/1S |
绝缘电阻 ( Insulation Resistance ) | 100MΩ, 500VDC |
环境温度 ( Ambient Temperature ) | -20°C ~ +50°C |
绝缘等级 (Insulation Class) | Class B |
接线说明(Electric Connection)
引出线颜色 Color | 引出线型号 Type | 功能 Functions |
红色 ( Red ) | UL2464 AWG26 Hall is optional | 霍尔电源正 ( Vcc ) |
蓝色 ( Blue ) | 霍尔 W ( Hw ) | |
绿色 ( Green ) | 霍尔 V ( Hv ) | |
白色 ( White ) | 霍尔 U ( Hu ) | |
黑色 ( Black ) | 霍尔电源负 ( GND ) | |
黄色 ( Yellow ) | UL1332 AWG18 | U相 ( Phase U ) |
红色 ( Red ) | V相 ( Phase V ) | |
黑色 ( Black) | W相 ( Phase W ) |
电性能 (Electrical Specifications)
单 位 (Unit) | FL115HSV25-48V-14570 | FL115HSV50-48V-06620 | |
极数 ( Number of poles ) | 20 | 20 | |
相数 ( Number of phases ) | 3 | 3 | |
额定电压 ( Rated voltage ) | VDC | 48 | 48 |
额定转矩 ( Rated torque) | N.m | 3.9 | 7.8 |
额定电流(Rated current) | A | 14.7 | 13.0 |
额定速度 ( Rated speed ) | RPM | 1400 | 620 |
额定功率 ( Rated power ) | W | 571 | 617 |
最大转速(Maximum speed) | RPM | 1900 | 850 |
峰值转矩 ( Peak torque ) | N.m | 11.7 | 23.4 |
峰值电流 ( Peak current ) | A | 44.0 | 38.9 |
线电阻 ( Line to line resistance ) | ohms@20℃ | 0.16 | 0.51 |
线电感 ( Line to line inductance ) | mH | 0.53 | 0.69 |
转矩常数 ( Torque constant ) | Nm/A | 0.293 | 0.662 |
反电势 ( Back EMF ) | Vrms/KRPM | 17.7 | 40 |
机身长度 ( Motor length ) | mm | 40 | 65 |
重量 ( Weight ) | g | 1100 | 2200 |
电气时间常数(Electrical time constant) | ms | 3.31 | 1.35 |
根据要求,该款电机可以设计和制造成定制的类型。

Copyright 2023 版权所有 BG大游(集团)中国官方网站 苏ICP备05002292号-1