混合式步进行星齿轮减速电机 (内齿圈材质:金属)
Planetary Gear Stepping Motor (Ring Gear Material: Metal)
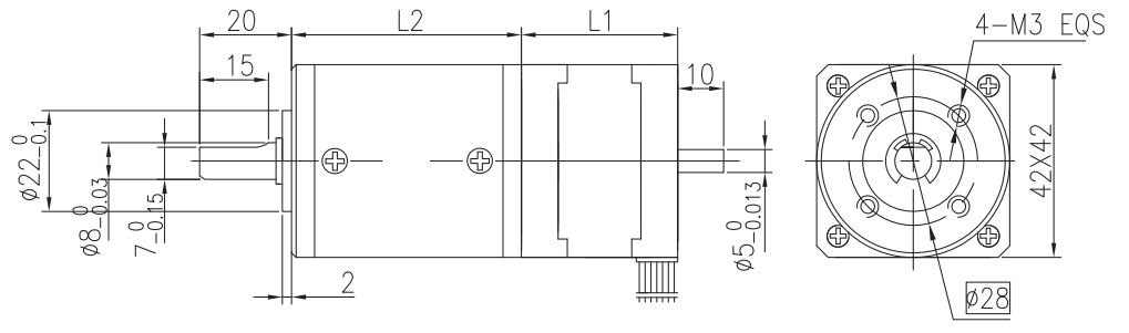
FL42STH/42JMGS100K | Φ42行星减速器,允许转矩范围:3N.m~10N.m 42mm Planetary Gearbox,Permissible Load Range: 3N.m~10N.m |
| 内齿圈材料 Ring material | 金属 metal |
| 输出轴轴承形式 Bearing at output | 滚动轴承Ball bearings |
| 最大允许径向负载(离法兰10mm处) Max. Radial load(10mm from flange) | 100N |
| 最大允许轴向负载 Max. shaft axial load | 50N |
| 径向间隙(测量点尽量接近法兰)Radial play of shaft(near to flange) | ≤0.07 mm |
| 轴向间隙 Axial play of shaft | ≤0.3 mm |
| Model No. | 额定电压 | 每相电流 | 每相电阻 | 每相电感 | 保持转矩 | 引出线数 | 转动惯量 | 重 量 | 长度L1 | 适配减速比 |
| Rated Voltage | Current/Phase | Resistance/Phase | lnductance/Phase | HoldingTorque | # of Leads | Rotor lnertia | Weight | Length L1 | Max. Gear Ratio | |
| 单轴 Single Shaft | V | A | Ω | mH | kg.cm | g-m2 | kg | mm | ||
| FL42STH33-1334A | 2.8 | 1.33 | 2.1 | 2.5 | 2.2 | 4 | 35 | 0.22 | 34 | ≤1:118 |
| FL42STH38-1684A | 2.8 | 1.68 | 1.65 | 3.2 | 3.6 | 4 | 54 | 0.28 | 40 | ≤1:91 |
| 减 速 比 Reduction ratio | 3.82 | 4.88 | 15 | 19 | 24 | 56 | 71 | 91 | 116 | 213 | 271 | 346 |
| 精确减速比 Accurate Reduction Ratio | 42/11 | 39/8 | 1764/121 | 819/44 | 1521/64 | 74088/1331 | 17199/242 | 31941/352 | 59319/512 | 411889/1938 | 361179/1331 | 670761/1936 |
| 减速级数 Number of gear trains | 1 | 2 | 3 | 4 | ||||||||
| 减速器长度(L2) Length(L2) mm | 36.9 | 47.4 | 57.7 | 68 | ||||||||
| 最大额定转矩 kg.cm | 30 | 50 | 100 | 100 | ||||||||
| Max. rated torque | ||||||||||||
| 瞬间允许转矩 kg.cm | 90 | 150 | 300 | 300 | ||||||||
| Short time permissible torque | ||||||||||||
| 效 率 Efficiency % | 0.9 | 0.81 | 0.73 | 0.66 | ||||||||
| 背隙(无负载时)Backlash at no-load | 0.5° | 1.0° | 1.5° | 1.5° | ||||||||
| 重 量 Weight g | 229 | 300 | 371 | 442 | ||||||||
该款电机可以根据客户需求定制。
The motor can be designed &manufactured with customized request.

Copyright 2023 版权所有 BG大游(集团)中国官方网站 苏ICP备05002292号-1