混合式步进行星齿轮减速电机 (内齿圈材质:金属)
Planetary Gear Stepping Motor (Ring Gear Material: Metal)
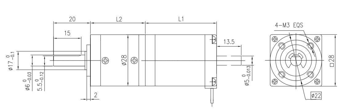
FL28STH/28JMS40K | Φ28行星减速器,允许转矩范围:1.23N.m~4.0N.m 28mm Planetary Gearbox,Permissible Load Range: 1.2N.m~4.0N.m |
| 内齿圈材料 Ring material | 金属 metal |
| 输出轴轴承形式 Bearing at output | 滚动轴承Ball bearings |
| 最大允许径向负载(离法兰10mm处) Max. Radial load(10mm from flange) | 100N |
| 最大允许轴向负载 Max. shaft axial load | 50N |
| 径向间隙(测量点尽量接近法兰)Radial play of shaft(near to flange) | ≤0.07 mm |
| 轴向间隙 Axial play of shaft | ≤0.3 mm |
| Model No. | 额定电压 | 每相电流 | 每相电阻 | 每相电感 | 保持转矩 | 引出线数 | 转动惯量 | 重 量 | 长度L1 | 适配减速比 |
| Rated Voltage | Current/Phase | Resistance/Phase | lnductance/Phase | HoldingTorque | # of Leads | Rotor lnertia | Weight | Length L1 | Max. Gear Ratio | |
| 单轴 Single Shaft | V | A | Ω | mH | kg.cm | g-m2 | kg | mm | ||
| FL28STH45-0956A | 3.4 | 0.95 | 3.4 | 1.2 | 750 | 6 | 12x10-7 | 44.5 | 44.5 | ≤1:189 |
| FL28STH51-0956A | 4.4 | 0.95 | 4.6 | 1.8 | 900 | 6 | 18x10-7 | 50.5 | 50.5 | ≤1:189 |
| 减 速 比 Reduction ratio | 3.71 | 5.18 | 14 | 19 | 27 | 51 | 72 | 100 | 139 | 189 | 264 | 369 |
| 精确减速比 Accurate Reduction Ratio | 63/17 | 57/11 | 3969/289 | 3591/187 | 3249/121 | 250047/4913 | 226233/3179 | 204687/2057 | 185193/1331 | 538861/2857 | 1119000/4243 | 3661450/9929 |
| 减速级数 Number of gear trains | 1 | 2 | 3 | 4 | ||||||||
| 减速器长度(L2) Length(L2) mm | 29 | 36.1 | 43 | 49.9 | ||||||||
| 最大额定转矩 kg.cm Max. rated torque | 12 | 20 | 40 | 40 | ||||||||
| 瞬间允许转矩 kg.cm Short time permissible torque | 40 | 60 | 120 | 120 | ||||||||
| 效 率 Efficiency % | 90% | 81% | 73% | 66% | ||||||||
| 背隙(无负载时)Backlash at no-load | 0.6° | 1.0° | 1.5° | 1.5° | ||||||||
| 重 量 Weight g | 75 | 97 | 119 | 141 | ||||||||
该款电机可以根据客户需求定制。
The motor can be designed &manufactured with customized request.

Copyright 2023 版权所有 BG大游(集团)中国官方网站 苏ICP备05002292号-1