混合式步进行星齿轮减速电机 (内齿圈材质:金属)
Planetary Gear Stepping Motor (Ring Gear Material: Metal)
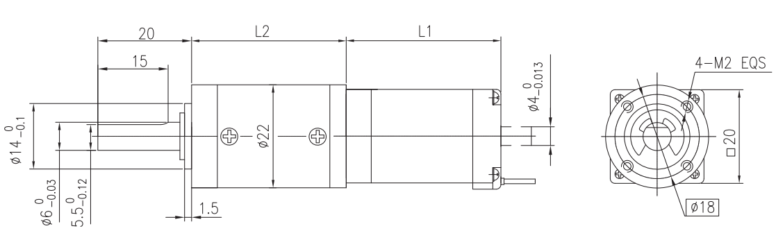
FL20STH 22JMS20K | Φ22行星减速器,允许转矩范围:0.6N.m~2.0N.m 22mm Planetary Gearbox,Permissible Load Range: 0.6N.m~2.0N.m |
| 内齿圈材料 Ring material | 金属 metal |
| 输出轴轴承形式 Bearing at output | 滚动轴承Ball bearings |
| 最大允许径向负载(离法兰10mm处) Max. Radial load(10mm from flange) | 50N |
| 最大允许轴向负载 Max. shaft axial load | 30N |
| 径向间隙(测量点尽量接近法兰)Radial play of shaft(near to flange) | ≤0.08 mm |
| 轴向间隙 Axial play of shaft | ≤0.3 mm |
| Model No. | 额定电压 | 每相电流 | 每相电阻 | 每相电感 | 保持转矩 | 引出线数 | 转动惯量 | 重 量 | 长度L1 | 适配减速比 |
| Rated Voltage | Current/Phase | Resistance/Phase | lnductance/Phase | HoldingTorque | # of Leads | Rotor lnertia | Weight | Length L1 | Max. Gear Ratio | |
| 单轴 Single Shaft | V | A | Ω | mH | g.cm | kg-m2 | g | mm | ||
| FL20STH33-0604A | 3.9 | 0.6 | 6.5 | 1.7 | 180 | 4 | 2.0x10 -7 | 60 | 33 | ≤1:369 |
| FL20STH42-0804A | 4.32 | 0.8 | 5.4 | 1.5 | 300 | 4 | 3.6x10 -7 | 80 | 42 | ≤1:264 |
| 减 速 比 Reduction ratio | 3.71 | 5.18 | 14 | 19 | 27 | 51 | 71 | 100 | 139 | 189 | 264 | 369 |
| 精确减速比 Accurate Reduction Ratio | 63/17 | 57/11 | 3969/289 | 3591/187 | 3249/121 | 250047/4913 | 226233/3179 | 204687/2057 | 185193/1331 | 538861/2857 | 1119000/4243 | 3661450/9929 |
| 减速级数 Number of gear trains | 1 | 2 | 3 | 4 | ||||||||
| 减速器长度(L2) Length(L2) mm | 23.4 | 30 | 36.4 | 42.8 | ||||||||
| 最大额定转矩 kg.cm Max. rated torque | 6 | 10 | 20 | 20 | ||||||||
| 瞬间允许转矩 kg.cm Short time permissible torque | 20 | 30 | 60 | 60 | ||||||||
| 效 率 Efficiency % | 0.9 | 0.81 | 0.73 | 0.66 | ||||||||
| 背隙(无负载时)Backlash at no-load | 0.6° | 1.0° | 1.5° | 1.5° | ||||||||
| 重 量 Weight g | 31 | 37 | 43 | 49 | ||||||||
该款电机可以根据客户需求定制。
The motor can be designed &manufactured with customized request.

Copyright 2023 版权所有 BG大游(集团)中国官方网站 苏ICP备05002292号-1