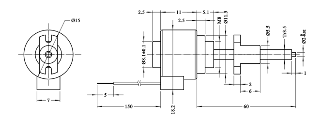
1、技术规格:
绕组类型 | 单\双极性 | |||
电机结构 | 外部驱动式 | |||
步距角 | 度 | 18 | ||
工作电压 | V | 4 | 5 | 12 |
每相电流 | mA | 200 | 160 | 70 |
每相电阻 | Ω | 20 | 33 | 180 |
每相电感 | mH | 506 | 8.7 | 49 |
步长 | mm | 0.02 | ||
0.025 | ||||
0.05 | ||||
注:参数可以根据客户要求订制。可选丝杆直径① 3.0(mm),可选导程① 0.5、1.0(mm)。步长=(步距角度/360)*导程(mm)
2、步进速度与推力曲线:


Copyright 2023 版权所有 BG大游(集团)中国官方网站 苏ICP备05002292号-1