1、技术规格:
绕组类型 | 单\双极性 | ||||
电机结构 | 固定轴式、贯通轴式、外部驱动式 | ||||
步距角 | 度 | 7.5 | 15 | ||
工作电压 | V | 5 | 12 | 5 | 12 |
每相电流 | mA | 370 | 160 | 370 | 160 |
每相电阻 | Ω | 13.5 | 74.5 | 13.5 | 76 |
每相电感 | mH | 6.5 | 38.5 | 4 | 25 |
步长 | mm | 0.0127 | 0.0254 | ||
0.0254 | 0.0508 | ||||
0.0508 | 0.1016 | ||||
注:参数可以根据客户要求订制。可选丝杆直径① 3.5 可选导程① 0.3048、0.6096、1.0、1.2192、2.0、2.4384、4.0、8.0......(mm);步长=(步距角度/360)*导程(mm)
2、步进速度与推力曲线:




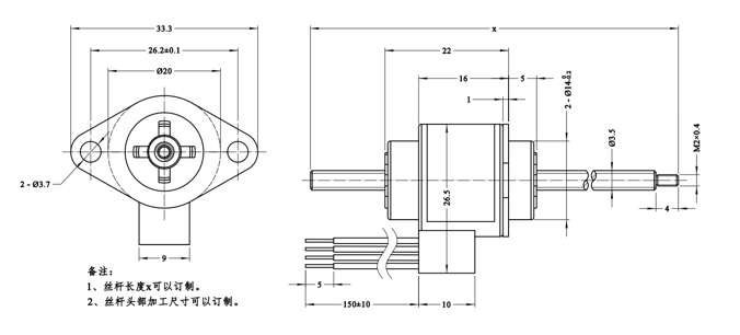
1、固定轴式


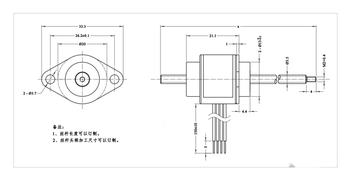
2、贯通轴式


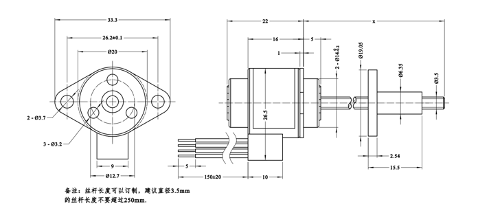
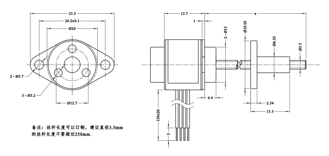
3、外驱式


Copyright 2023 版权所有 BG大游(集团)中国官方网站 苏ICP备05002292号-1