1、技术规格:
绕组类型 | 单\双极性 | ||||
电机结构 | 固定轴式、贯通轴式、外部驱动式 | ||||
步距角 | 度 | 7.5 | 15 | ||
工作电压 | V | 5 | 12 | 5 | 12 |
每相电流 | mA | 560 | 230 | 560 | 230 |
每相电阻 | Ω | 9 | 52 | 9 | 52 |
每相电感 | mH | 11.5 | 72 | 8 | 56 |
步长 | mm | 0.0127 | 0.0254 | ||
0.0254 | 0.0508 | ||||
0.0508 | 0.1016 | ||||
注:参数可以根据客户要求订制。可选丝杆直径① 6.35 ② 4.77(mm),可选导程① 0.6096、1.0、1.2192、1.27、2.4384、2.54、4.0、8.0......(mm);② 0.635、1.27、2.54、5.08、10.16 ......(mm)。步长=(步距角度/360)*导程(mm)
2、步进速度和推力曲线




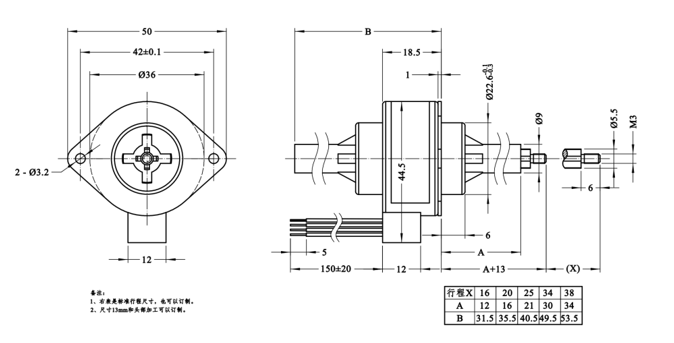
1、固定轴式
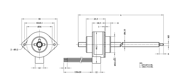
2、贯通轴式
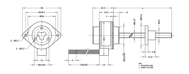
3、外驱式
Copyright 2023 版权所有 BG大游(集团)中国官方网站 苏ICP备05002292号-1