绕组连接方式 ( Winding Type ) | 星形 ( Star connection ) |
霍尔分布角度 ( Hall Effect Angle ) | 120度电角度 ( Electrical Angle of 120 degree) |
径向间隙 ( Radial Play ) | 0.02mm@450g |
轴向间隙 ( Axial Play ) | 0.08mm@450g |
最大径向负载 ( Max radial force ) | 28N 距法兰20mm ( 20mm From the flange) |
最大轴向负载 ( Max axial force ) | 10N |
介电强度 ( Dielectric Strength ) | 600VAC/1S |
绝缘电阻 ( Insulation Resistance ) | 100MΩ, 500VDC |
环境温度 ( Ambient Temperature ) | -20°C ~ +50°C |
绝缘等级 (Insulation Class) | Class B |
引出线型号Type | 引出线颜色Color | 功能Functions |
UL1430 AWG26 | 红色 ( Red ) | 霍尔电源正 ( Vcc ) |
蓝色 ( Blue ) | 霍尔 U ( Hu ) | |
绿色 ( Green ) | 霍尔 V ( Hv ) | |
白色 ( White ) | 霍尔 W ( Hw ) | |
黑色 ( Black ) | 霍尔电源负 ( GND ) | |
UL1430 AWG20 | 黄色 ( Yellow ) | U相 ( Phase U ) |
红色 ( Red ) | V相 ( Phase V ) | |
黑色 ( Black) | W相 ( Phase W ) |
单 位 (Unit) | FL42BLA01 | FL42BLA02 | FL42BLA03 | FL42BLA04 | |
极数 ( Number of poles ) | 10 | ||||
相数 ( Number of phases ) | 3 | ||||
额定电压 ( Rated voltage ) | VDC | 24 | |||
额定转矩 ( Rated torque) | mN.m | 70 | 160 | 260 | 360 |
连续运行转矩 ( Continuous stall torque) | mN.m | 81 | 190 | 300 | 410 |
额定速度 ( Rated speed ) | RPM | 3000 | 3000 | 3000 | 3000 |
额定功率 ( Rated power ) | W | 22 | 50 | 81 | 113 |
峰值转矩 ( Peak torque ) | mN.m | 210 | 480 | 780 | 1080 |
峰值电流 ( Peak current ) | A | 3.9 | 8 | 13 | 17.5 |
线电阻 ( Line to line resistance ) | ohms@20℃ | 2.6 | 1.1 | 0.7 | 0.5 |
线电感 ( Line to line inductance ) | mH | 1.83 | 0.96 | 0.58 | 0.44 |
转矩常数 ( Torque constant ) | N.m/A | 0.054 | 0.06 | 0.06 | 0.062 |
反电势 ( Back EMF ) | Vrms/KRPM | 4.06 | 4.5 | 4.5 | 4.6 |
转动惯量 ( Rotor inertia ) | g.cm2 | 48 | 101 | 154 | 207 |
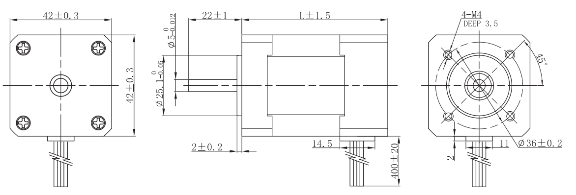
机身长度 ( Motor length ) L | mm | 40.3 | 60.3 | 80.3 | 100.3 |
重量 ( Weight ) | Kg | 0.26 | 0.46 | 0.65 | 0.85 |
该款电机可以根据客户需求定制。
The motor can be designed &manufactured with customized request.

Copyright 2023 版权所有 BG大游(集团)中国官方网站 苏ICP备05002292号-1