特点:
1、采用32位电机控制专用芯片
2、电压等级12VDC~48VDC,支持宽电压输入
3、支持多种调速模式(PWM\模拟量\通讯)
4、具备启停、正反转、刹车等控制功能
5、RS485通讯,支持Modbus通讯协议
6、高精度的速度、电流双闭环控制
7、支持控制信号限值、PID、加减速、电流值等参数的软件设定
8、具有过压、欠压、过流、过温、堵转等保护功能
9、超高性价比,经济高效
10、可接受定制化
典型案例:
广泛应用于各种中小型自动化设备和仪器,例如:电子加工设备、3C非标自动化设备、锁螺丝机、剥线机、绕线机、端子机、激光机、打标机、喷绘机、中小型雕刻机、自动抓取设备、专用数控机床、包装设备和机器人等。
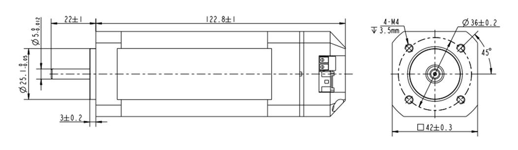
产品概述:
iBLD42NR-H-T系列一体式闭环无刷电机是常州BG大游集团机电有限公司自主研发的一款高性价比闭环电机。它采用32位专用电机控制芯片,集成度高、体积小、拥有完善的保护措施。该电机采用新型的PWM控制技术,使无刷电机运行具有转度高、振动小、噪声低、平稳性好等优点。
调速模式控制:
iBLD42NR-H-T提供以下三种调速方式用户可任选一种(通过上位机配置):
外部模拟量调速: 通过BG大游集团的上位机软件,将控制模式(0x0002)设置为0,可通过外部模拟量输出或者电位器调速(推荐电位器5K~100K)。
外部PWM调速:通过BG大游集团的上位机软件,将控制模式(0x0002)设置为1或2,SV/PWM与GND之间可以施加幅值为5V,频率为 1KHz-20KHz的脉宽数字信号(PWM) 进行调速,电机转速受其占空比线性调节。
通讯调速:通过BG大游集团的上位机软件,将控制模式(0x0002)设置为3,设置目标转速(0x0004),将通讯启停(0x0003)设置为1。
通讯接线图:
控制端口(JST B08B-PASK 8引脚)
引脚号 | 信号 | 功能 | 说明 |
1 | TR2 | 终端电阻接线端 | TR2\ TR1短接将接入终端电阻 |
2 | TR1 | 终端电阻接线端 | TR2\ TR1短接将接入终端电阻 |
3 | SV/PWM | 调速信号(可通讯配置) | 模拟量调速:0.5V~4.5V, PWM调速: 占空比极性可配置 0~5%全速 5~95%线性调速 95~100%停止 |
4 | PG | 转速信号 | TTL-5V电平,1脉冲/1对极/转 |
5 | BK | 刹车信号 | 悬空或接高电平无效(1.7V~24V) 接低电平刹车有效(0V~0.8V) |
6 | F/R | 方向信号 | CW\CCW高低电平极性可软件配置 高电平(1.7V~24V) 低电平(0V~0.8V) |
7 | GND | 传感器电源地 | 传感器电源地,与主电源共地 |
8 | +5V | 传感器+5V电源 | 传感器+5V电源,输出电流<=30mA |
电源端口(JST B06B-XASK 6引脚)
引脚号 | 信号 | 功能说明 |
1 | VDD | 电源输入正端,输入电压10V~50Vdc |
2 | GND | 电源输入负端 |
3 | A | 通讯RS485-A |
4 | B | 通讯RS485-B |
5 | A | 通讯RS485-A |
6 | B | 通讯RS485-B |

Copyright 2023 版权所有 BG大游(集团)中国官方网站 苏ICP备05002292号-1