项目(Item) | 说明(Specifications) |
步距角(Step Angle) | 1.8° |
步距角精度(Step Angle Accuracy) | ±5% (整步无负载,full step, no load) |
径向间隙( Radial Play) | 0.02mm@450 g |
轴向间隙( Axial Play) | 0.08mm@450 g |
最大径向负载(Max. radial force) | 28N 距法兰20mm (20mm from the flange) |
最大轴向负载(Max. axial force) | 10N |
介电强度(Dielectric Strength) | 600VAC / 1s |
绝缘电阻(Insulation Resistance) | 100MΩ ,500VDC |
环境温度(Ambient Temperature) | -20。C~+50。C |
绝缘等级(Insulation Class) | Class B |
型号(Model No.) | Current /Phase 每相 电流 | Resistance /Phase 每相 电阻 | Inductance /Phase 每相 电感 | Holding Torque 保持 转矩 | Detent Torque 定位 转矩 | # of Leads 引出线数 | Rotor Inertia 转动惯量 | Weight 重量 | Length 机身 长度 |
Single shaft (单出轴) | A | Ω | mH | N.m | N.m | # | g-cm2 | kg | mm |
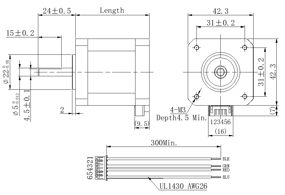
FL42STD33-1334AF | 1.33 | 2.1 | 2.5 | 0.22 | 0.012 | 4 | 35 | 0.22 | 33.5±1 |
FL42STD38-1684AF | 1.68 | 1.65 | 3.2 | 0.36 | 0.015 | 4 | 54 | 0.28 | 39.5±1 |
FL42STD47-1684AF | 1.68 | 1.65 | 2.8 | 0.44 | 0.02 | 4 | 68 | 0.35 | 47.5±1 |
该款电机可以根据客户需求定制。
The motor can be designed &manufactured with customized request.




Copyright 2023 版权所有 BG大游(集团)中国官方网站 苏ICP备05002292号-1